BLUM 71M2750 CLIP závěs 100° vložený
Kód: KT_00364Související produkty
Detailní popis produktu
BLUM NK závěs CLIP vložený 100° bez tlumení.
Miska je určená k našroubování na vrut.
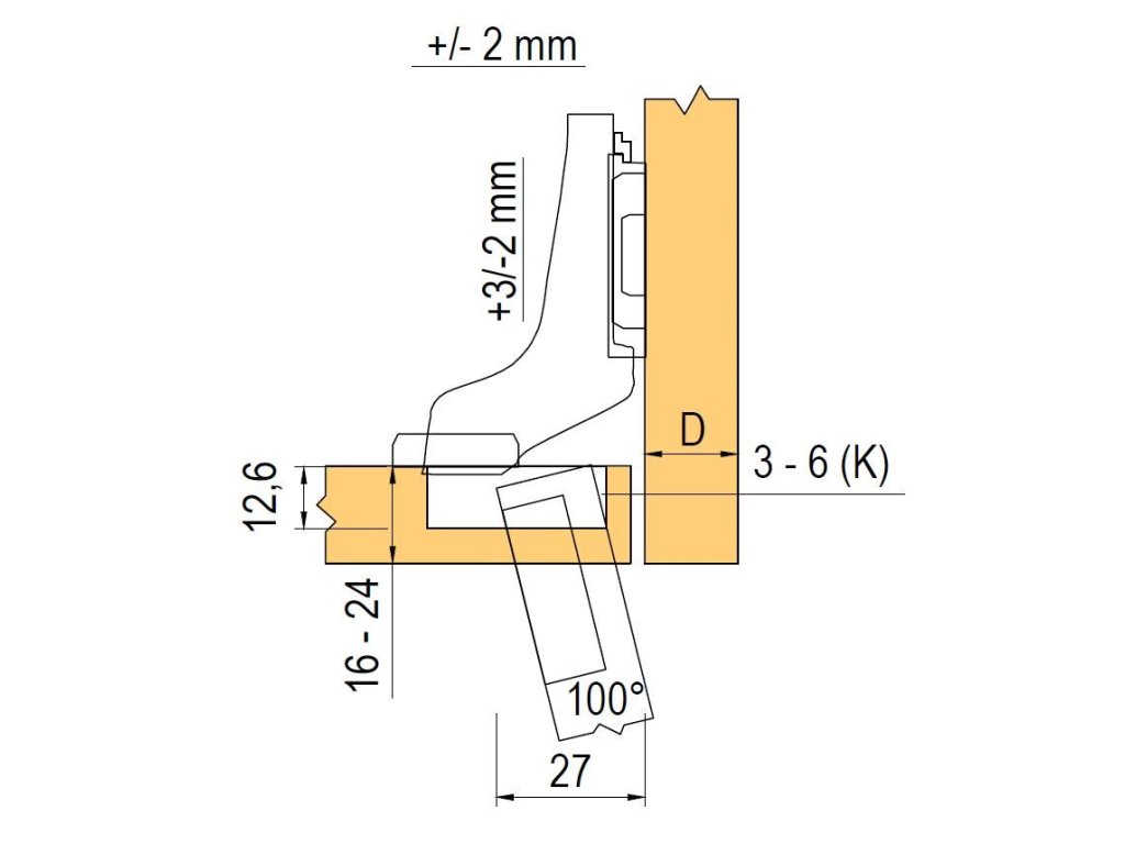
Seřízení dvířek ve dvou směrech na závěsu.
Seřízení dvířek ve třech směrech v případě použití 3D podložky.
Možno kombinovat s tlumičem dorazu BLUMOTION 973A0700 k naklapnutí na ramínko závěsu.
Montážní podložka není součástí, nutno doobjednat.
Parametry:
- Úhel otevření: 100°
- Montáž do materiálu: vrut
- Montáž na podložlu: k naklapnutí bez nářadí
- Materiál: celokovový závěs poniklovaný
- Rozteč vrtání misky: 45 mm
- Síla dvířek: do 24 mm
- Seřízení hloubky (vzdálenost od korpusu) dvířka: +3/-1 mm
- Seřízení naložení dvířka vůči korpusu: +2/-2 mm
Nutno doobjednat:
- Montážní podložky CLIP 8,5 mm
- Naklapávací tlumič Blumotion 973A0700 pro vložené panty
Značka BLUM, mezi NK závěsy s doživotní zárukou, patří mezi TOP produkty při montáži kuchyňských dvířek.
Jednoduchá montáž nacvaknutím závěsu na podložku pomocí clipové technologie uchycení.
NK závěsy 100° nelze kombinovat se závěsy 110° Clip TOP Blumotion.
Doplňkové parametry
| Kategorie: | Nábytkové panty a závěsy bez dotlumení |
|---|---|
| EAN: | 9002617341324 |
| Montáž do korpusu: | Vrut |
| Úhel otevření závěsu: | 100° |
Hodnocení produktu
Buďte první, kdo napíše příspěvek k této položce.
Diskuze
Buďte první, kdo napíše příspěvek k této položce.
